|
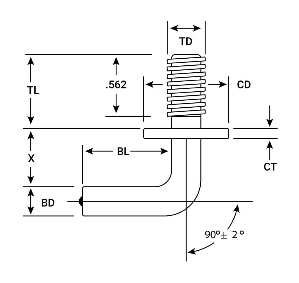
STUDS |
||||||
|
TD |
STD. TL |
BL |
MIN. BD |
CD |
CT |
X |
|
3/8-16 |
1.375 |
.625 |
.331 |
5/8 |
.109 |
5/8 |
|
FERRULES |
|||||
|
CODE |
B |
D |
E |
M |
PART NO. |
|
C375 |
.785 |
.875 |
.125 |
.250 |
092 0014 08 |
Additional information
| Base | |
|---|---|
| Diameter | |
| Available Materials | |
| Plating | |
| System | |
| Threading | |
| Weld Type |







Reviews
There are no reviews yet.